Как выбрать сварочный аппарат инверторный надежный. Защита от пыли и влаги. Сварочный инверторный аппарат какой фирмы лучше выбрать.
Какой же мастер на все руки без сварочного инвертора? Сварка собственными руками – это не просто возможность освоить новое, это беспроигрышный вариант значительно сэкономить на таких задачах, как приварка петель, изготовление железных ворот и даже починка детских санок.
Научиться работать сварочным аппаратом - заветное желание многих мужчин. Однако зачастую останавливает представление о сварочном трансформаторе - неподъемный агрегат, который перевозят на тележке и подключают проводами прямо к сети. Спешим вас обрадовать - такие устройства не используются в быту, они хоть и применяются, но исключительно на производствах. Так что можно смело отбросить свои сомнения и начать постигать азы этого ремесла, даже если у вас абсолютно нет опыта. Выход для новичков очевиден - сварочный инвертор. Он прост в использовании и обладает набором функций, которые облегчают работу неопытного сварщика.
3 класса сварочных инверторов
Безусловно, классификаций сварочных инверторов много. Приведем одну из них.
Бытовые - в основном используются в гараже или на даче. Устройства именно этого класса следует выбирать всем начинающим, тем, кто только учиться варить. Конечно, они подходят и опытным сварщикам, которые планируют использовать их для разовых кратковременных работ малого объема. Диапазон сварочного тока для бытовых инверторов колеблется от 120 до 200 А.
Профессиональные - пользуются особой популярностью у сотрудников ЖКХ и работников небольших коммерческих фирм. Устройства этого класса идеально подходят для ремонта труб, изготовления каркасных сооружений и пр., так как в таких случаях к качеству работы предъявляются высокие требования. В отличие от бытовых устройств, которыми можно варить только короткие промежутки времени, профессиональные инверторы используются продолжительное время в жестких условиях эксплуатации. Значения сварочного тока для профессиональных инверторов составляют от 200 до 300 А.

Промышленные - нашли широкое применение в строительстве ответственных конструкций из различного металла и при установке трубопроводов и других объектов. Такие аппараты могут варить без перерыва при больших объемах работ и очень высоких требованиях к качеству сварного шва. Сварочный ток промышленных устройств варьируется от 250 до 500 А.
Стоит ли говорить, что аппараты каждого класса предназначены для конкретных работ определенного объема. Конечно, и стоимость сварочных инверторов каждой группы существенно отличается. Однако они с лихвой оправдывают свою цену характерными достоинствами.
Преимущества инверторов
Почему инверторы получили такую широкую популярность? Рассмотрим их достоинства.
- Cтабильный сварочный ток даже при скачках напряжения в сети, значит, шов всегда будет получаться ровным.
- Минимальное разбрызгивание — слой шлака, образующийся во время сварки, значительно тоньше, чем при работе трансформаторами или выпрямителями. Значит, вам придется приложить меньше усилий для его удаления и полировки прилегающих поверхностей.
- Плавное регулирование силы тока позволяет выбрать оптимальное значение для работы с конкретным материалом.
- Универсальность инвертора способствует работе с любыми материалами: алюминием, нержавеющей сталью и др.
- Системы защиты исключают перегрев аппарата, перегрузки по току, долгую работу в одном режиме и пр.
- Благодаря малому весу инвертор можно долгое время держать в руках.
- Низкое потребление электроэнергии — в 2 раза меньше, чем у выпрямителей и трансформаторов.
Сварочные инверторы vs трансформаторы
Споры о том, какой лучше - инвертор или трансформатор, ведутся до сих пор, и единого мнения на сегодняшний день просто нет. Статистически трансформаторы пока держат лидерство по распространению, однако инверторы уверенно выбиваются вперед в бытовом использовании. Каковы же главные критерии, по которым обычно сравнивают? Это стоимость, условия работы и ряд технических параметров. Рассмотрим аргументы в пользу каждого аппарата подробнее в таблице.
| Критерии сравнения/вид сварочного аппарата | Инвертор | Трансформатор |
| Объем потребляемой электроэнергии | В несколько раз меньше по сравнению с трансформатором. Например, при работе электродом диаметром 3 мм расходует менее 4 кВт | Существенно просаживает сеть. Например, при работе электродом диаметром 3 мм расходует более 6 кВт |
| Габариты и возможности транспортировки | Вес около 4 кг и небольшие размеры - удобно вешать на плечо и работать. Без труда перемещаются в нужное место | Вес и габариты превышают размеры инвертора в 2 раза и более. Затруднения с транспортировкой |
| Условия эксплуатации | Особо чувствительны к содержанию пыли и влаги в воздухе, а также к минусовым температурам. Эти факторы могут привести к быстрой поломке | Способны работать практически в любых условиях |
| Ремонтопригодность | Возникают сложности при ремонте: при поломке модуля I.G.B.T. покупка нового составляет 1/3 от общей стоимости инвертора | Легко найти запчасти и отремонтировать |
| Длительность сварочных работ | Следует исключать перегрев оборудования, давать ему время остыть | Возможна непрерывная работа |
| Устойчивость к скачкам напряжения | Низкая. Дуга горит нестабильно, кроме аппаратов, имеющих защиту от перепадов этого параметра в сети | Дуга устойчива к скачкам напряжения. Образуется минимальное количество брызг во время сварки. Это достигается благодаря стабильному току сварки, на который не влияют колебания входного напряжения |
| Дополнительные функции | Hot Start гарантирует стабильный розжиг дуги; Arc Force уменьшает вероятность, а Antistick исключает «приклеивание» электрода к детали | Нет |
| Цена | Высокая | В 2 - 3 раза дешевле инверторного аппарата |
Как видно, любой вид сварочного аппарата имеет свои плюсы и минусы. И уже каждый для себя решает, какой фактор выставить на первый план - стоимость, простоту работы, габариты и пр.
Сварочные инверторы vs выпрямители
По сравнению со сварочным инвертором сварочный выпрямитель стоит в 2 - 3 раза дешевле. Характеризуется надежностью и ремонтопригодностью и может работать в жестких условиях - при наличии пыли и влаги в воздухе.
К недостаткам выпрямителя можно отнести крупные габариты (хоть и меньше, чем у трансформатора) и значительное потребление электроэнергии - в этом сварочный выпрямитель схож с трансформатором, также просаживает сеть.
Полезные функции сварочных инверторов
Hot Start - на несколько секунд увеличивается значение силы тока в тот момент, когда происходит розжиг дуги. Вот почему она стабильно горит, и даже новичок выполнит розжиг дуги без проблем. При работе с трансформаторами выполнение этой операции под силу только сварщику с большим опытом.
Antistick - не дает электроду прилипнуть к детали. Ток прекращает подаваться, если кончик электрода коснулся поверхности заготовки. В результате вы без проблем оторвете электрод. Если этого не сделать, произойдет короткое замыкание.
Arc Force - повышает силу тока, если электрод очень приблизится к поверхности обрабатываемой детали. Это дает возможность уменьшить вероятность его прилипания.
Как выбрать инвертор по техническим характеристикам
У каждого сварочного инвертора есть набор основных параметров, исходя из которых и отдается предпочтение той или иной модели. Однако стоит отметить, что алгоритм выбора устройства новичком и профессионалом существенно отличается. Разберем оба варианта.
Инвертор для бытового использования
Шаг 1. Определяемся со значением номинального сварочного тока - мощностью оборудования
Этот показатель вы можете легко найти в паспорте изделия или в карточке товара в нашем интернет-магазине. Она означает силу тока, при котором инвертор не будет работать на пределе своих возможностей и перегреваться (с соблюдением ПВ% периодов работы и отдыха).
Приведем пример
Вам потребуется инвертор ориентировочно на 120 А, чтобы варить заготовки толщиной около 3 - 4 мм с помощью электрода диаметром 3 мм. Не спешите покупать устройство с силой тока впритык - обязательно прибавьте запас 30 - 50% и присмотритесь к инвертору на 160 А. Почему? Все просто.
- При постоянной работе на максимальном токе устройство будет функционировать на пределе возможностей, а значит, быстро придет в негодность.
- В гараже и на даче - в местах, где чаще всего используют бытовые инверторы, нередки случаи резких перепадов сетевого напряжения. В итоге вместо 220 В на выходе получается всего 170 - 180 В. А значит, номинальное значение тока будет значительно меньше заявленного в документах и вам не удастся выполнить намеченную работу.
- Сварочные кабели большой длины - более 4 - 5 м тоже снижают сварочный ток.
Совет специалиста
У бытовых аппаратов - инверторов набор выполняемых операций стандартный, поэтому, купив устройство со значением 160 или 200 А, вы не прогадаете.
Шаг 2. Определяемся с сетевым напряжением

Бытовые инверторы преимущественно работают от однофазной сети на 220 В. Казалось бы, что может быть проще - остановить свой выбор на однофазном сварочнике. Однако и тут есть тонкости, незнание которых может привести к тому, что купленный аппарат просто не будет подходить к вашим условиям работы. В чем же состоит это «тайное» знание? Различают два типа однофазных сетей.
- Стабильная однофазная сеть - напряжение в ней не отклоняется более чем на 10 - 15% от нормы, оно варьируется в пределах от 188 до 254 В. К этому типу относятся городские и промышленные системы. При таких значениях напряжения сварочное устройство продолжит работать, пусть и с небольшими отклонениями.
- Нестабильная однофазная сеть - бывает, если вы подключили инвертор к генератору или же в местах с регулярным понижением напряжения в сети: гаражах, садовых участках, если вы используете удлинители и пр. В таких случаях напряжение отличается от нормы на 20% и выше. Если вы знаете, что будете использовать аппарат в подобных обстоятельствах, то вам необходимо выбрать , у которого в паспорте указан диапазон рабочего напряжения или есть пометка о возможности питания от генератора.
Далее следует выбрать ценовую категорию и бренд. Даже если отсеять множество моделей по рассмотренным выше параметрам, выбор все равно огромный. Теперь дело только в том, какую сумму вы готовы потратить на приобретение верного помощника по хозяйству.
Инвертор для профессионального использования
Здесь выбор проводится уже по более сложной схеме, так как нужно учитывать другие технические характеристики.
Шаг 1. Определяемся с толщиной деталей, с которыми вы планируете работать
Именно от этого условия зависит определение силы тока, продолжительность включения, диаметр электрода и пр.
Шаг 2. Узнаем диаметр электродов и силу тока
Размеры электродов выбираются исходя из толщины свариваемых заготовок. Сварочный ток, соответственно, зависит от обоих параметров (параметры электродов плюс габариты деталей). Примерное соотношение вы можете узнать из таблицы.
| Диаметр электродов, мм (для примера указаны рутиловые) | Толщина заготовки, мм | Значение сварочного тока, А (указано для нижнего положения электрода) |
| 2 | 1,5 | 35 - 50 |
| 2,5 | 2 | 45 - 80 |
| 3 | 3 | 90 - 130 |
| 3 | 4 | 120 - 160 |
| 4 | 5 | 130 - 180 |
| 4 | 8 | 140 - 200 |
| 4 - 5 | 10 | 150 - 220 |
| 4 - 5 | 15 | 160 - 250 |
| 4 - 5 | 16 и больше | 180 - 320 |
Шаг 3. Определяемся с интенсивностью использования инверторного аппарата
От этого напрямую зависит время работы инвертора с перерывами, время средней продолжительности и непрерывной работы. Таким образом, исходя из значения рабочего сварочного тока можно узнать номинальный сварочный ток. Для этого нужно прибавить к значению мощности запас в 40 - 50%.
Обязательно учтите продолжительность включения (ПВ%) - это промежуток времени, когда можно варить, и длительность отдыха при цикле в 10 минут. К примеру, при ПВ = 70% при температуре 40 °С вы можете работать без перерыва 7 минут и позволить отдохнуть аппарату 3 минуты.
Шаг 4. Определяем тип электросети
Условно все одно- и трехфазные сети делятся на 4 группы:
- стационарная однофазная сеть (стабильная);
- однофазная сеть от генератора (нестабильная);
- стационарная промышленная трехфазная сеть (стабильная);
- автономная трехфазная сеть (нестабильная).
Первые два типа сетей мы рассмотрели при выборе бытового сварочного инвертора. Теперь же остановимся на трехфазных сетях. Если вы понимаете, что вам подходит стабильная промышленная трехфазная сеть, в которой максимальный скачок напряжения составляет 10 - 15%, то достаточно инвертора с подходящим диапазоном рабочего напряжения.
В случае, если вы планируете запитать устройство от генератора, то ищите модель, где производителем будет указана возможность работы от бензо- или электрогенераторов.
Также учтите защиту сварочного инвертора от скачков напряжения . Это особенно важно при работе от генератора. Дело в том, что его выходное напряжение подвержено резким скачкам, поэтому защита инвертора поможет предотвратить быструю поломку.
/Металлы применяют для создания долговечных конструкций. Чтобы исключить скрытые дефекты и обеспечить идеальное качество соединений надо самому выполнить соответствующие монтажные операции. Такой способ реализации планов удобен, ведь его можно использовать в любой момент, по мере необходимости. Он экономичен, потому что не придется оплачивать услуги специалистов. Надо только правильно выбрать сварочный аппарат инвертор – какой лучше для дома и дачи вы узнаете после изучения материалов этой статьи.
Чтобы сформулировать требования к оборудованию, надо предварительно оценить характеристики предполагаемых работ. Многие детали имеют значение:
- сложность операций;
- толщина деталей;
- длина швов;
- внешние условия;
- продолжительность технологических процессов;
- параметры электрической сети питания.
Следует ознакомиться подробнее с возможностями разных моделей. Комплексный анализ всех важных факторов поможет выяснить, какой лучше для дома и дачи сварочный аппарат инвертор.

Для чего нужна эта техника
Если сильным ударом оторван декоративный наконечник со столбика ограды – обращайтесь в мастерскую. Хороший специалист за несколько минут соединит детали, удалит неровности шва. Останется только нанести защитное и декоративное покрытие. Эти операции можно выполнить самостоятельно.
Но данный пример простой лишь теоретически. В действительности, металлически столб может быть установлен в бетонном фундаменте. Демонтаж такого соединения невозможен без нарушения целостности изделия. Вызывать для одиночной работы квалифицированного исполнителя слишком дорого. При наличии оборудования, дефект будет устранен быстро, без лишних затрат. Если дома есть компактный сварочный инвертор, он пригодится для решения разных задач.





Статья по теме:
Они являются обязательным атрибутом придомовой территории частного домовладения, а также часто применяются для пикников на природе и для отдыха на дачном участке. Как сделать мангал самостоятельно читайте в данной статье.
Принципы работы, устройство
Для соединения металлических деталей используют локальное повышение температуры с применением электрической дуги. Чтобы создать разряд с нужными параметрами применяют сильный ток.

Для сравнения можно отметить, что подобная конструкция, рассчитанная на 180-200 А, весит более 20 кг. «Начинка» аналогичного аппарата инверторного типа (без корпуса, рамы и навесных частей) – не более одного килограмма.

Нужный результат получают после следующей цепочки преобразований:
- В качестве исходного источника, используется стандартное напряжение сети питания 220 V. Вариант с 380 V (3 фазы) применяется в оборудовании профессионального класса, где необходима большая сила тока на выходе.
- После «обрезания» нижних полуволн и фильтрации создают постоянное напряжение. Его преобразуют в прямоугольные колебания (меандр) с применением мощных транзисторных ключей. На этом этапе частот увеличивается с исходных 60 Гц до 45-55 кГц.
- Далее напряжение понижается до уровня от 30 V до 75 V. Соответственно возрастает ток. Полученных значений, от 30 А до 280 А вполне достаточно для воспроизведения сварочных технологий.

С помощью этого снимка можно изучить особенности типового сварочного аппарата:
- Мягкий ремень (1) используют для переноски и удержания техники на плече при выполнении рабочих действий в труднодоступных местах. Общий вес этой компактной модели составляет примерно 4,5 кг. Поэтому такое удобное приспособление не будет лишним. Резиновые ножки обеспечивают хорошую устойчивость при установке техники на ровную поверхность.
- На крупном цифровом дисплее (2) отображается сила выходного тока. Ниже установлены две кнопки для регулировки этого параметра. Обратите внимание, что все управляющие элементы покрыты гибким защитным слоем. Такое решение предотвращает проникновение влаги, загрязнений. Оно продлевает срок службы техники.
- Кнопкой (3) выбирают необходимый режим (MMA/ TIG).
- Индикатор (4) загорается, если аппарат перегрелся. В этой ситуации срабатывает защитная блокировка, отключающая питание.
- Инвертор включают/выключают кнопкой (5).
- К разъемам (6) подсоединяют кабели.
- В металлическом корпусе сделаны прорези для вентиляции (7). Отверстия прикрыты крышками, направленными вниз. Это не препятствует свободному перемещению воздуха, но предотвращает проникновение внутрь пыли.

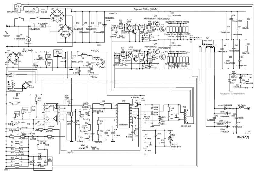
Если есть желание, инвертор можно сделать своими руками. На этом рисунке приведена схема аппарата, который способен обеспечить на выходе ток до 200 А. Это – современная техника, с регулировками, индикацией перегрева и защитой от бросков питающего напряжения.
Сварочный аппарат инвертор: какой лучше для дома и дачи с учетом функциональности
Чтобы получить качественное сварное соединение необходимо расплавить детали в ограниченной зоне, без нарушения глубинных структур. Для предотвращения попадания загрязнений из воздуха в рабочей области создают защитную среду. Она также не пропускает кислород, который активизирует реакции окисления.

Здесь изображена технология MMA. Ее используют для сравнительно небольших по объему работ. Для соединения крупных деталей используют электроды с большим диаметром.


Эта методика (TIG) позволяет выполнять более сложные действия с высоким качеством. Здесь в области нагрева необходимую по размерам защитную атмосферу создают с помощью инертного газа. Дуга образуется с помощью стойкого к высоким температурам электрода, изготовленного из вольфрама. Для формирования прочного шва с нужными характеристиками, в зону расплава подают присадочный материал.

В этих технологиях в рабочую зону через центральную часть горелки подают проволоку. Она выполняет функции электрода и присадочного материала одновременно. Такое решение усложняет конструкцию. Зато можно создавать непрерывные длинные швы высокого качества. С помощью смены типа проволоки и выбора соответствующих режимов соединяют изделия из разных металлов.


Группа полуавтоматических методик разделена на две категории:
- MIG – применение инертных газов для создания защитной среды.
- MAG – использование углекислого газа. В этом варианте расходные материалы дешевле, но качество соединения несколько хуже.

Важно! Если выбираете, какой лучше купить сварочный инвертор, специализированные форумы и другие источники информации надо использовать для получения дополнительных сведений. Главное – определиться с целевым назначением оборудования.
Сварочные аппараты инверторные: как выбрать по цене и техническим параметрам лучшую модель
Для соединения деталей из стали, относительно небольших объемов рабочих операций вполне достаточно приобрести аппарат класса MMA. Он весит немного, пригоден для немедленного функционирования без газовых баллонов.
Стоимость полуавтоматического профессионального сварочного аппарата инвертора (MIG/MAG) выше. Но это – универсальная техника. С ее помощью можно создавать качественные швы даже при работе с алюминиевыми заготовками. Этот металл переходит в жидкое состояние при температуре + 660 °С. Пленка из оксидных соединений, которая образуется на его поверхности, плавится при + 2 000 °С и выше. Тут необходимы следующие параметры:
- небольшое расстояние до точки соединения;
- сильный ток и точная установка его величины;
- отсутствие примесей в зоне расплава.
Для выполнения этих условий применяют аппарат MIG/MAG, инертный газ аргон, проволоку большого диаметра.

Чтобы выяснить, какие лучше для дома и дачи сварочные аппараты инверторы, специалисты рекомендуют обращать внимание на следующие характеристики:
- Тип сварки (MMA, TIG, или MIG/MAG).
- Входное напряжение. Если допустимо большое отклонение от номинала 220 V, техника будет работать стабильнее при подключении к разным сетям.
- Максимальную мощность проверяют, чтобы обеспечить совместимость с параметрами источника питания (стационарного типа, или генератора).
- Величина выходного тока определяет потенциальные возможности. Для большинства бытовых задач хватит 160-200 А.
- Диаметр электродов (от 1,6 до 6 мм).
- Допустимая продолжительность включения при максимальной силе тока. Эту величину указывают в процентах. Например, если указано 70%, значит после семи минут работы надо делать перерыв для охлаждения не менее 3 мин.
Пригодится наличие специальных функций:
- «Горячий» старт – это быстрый переход в рабочий режим с временным повышением выходного тока.
- «Форсирование» – принудительное изменение вольт амперных показателей для улучшения качества сварного соединения.
- Напряжение «разрыва» – этой настройкой устанавливают оптимальную длину дуги для создания вертикальных швов и выполнения других особых рабочих операций.
- «Антизалипание» – отключает подачу тока после того, как автоматика установила образование короткого замыкания на выходе. Чтобы не подвергать себя лишним нагрузкам проверяют массу.
Комплектация аппарата
Сварочные инверторы относятся к оборудованию, обеспечивающему наиболее высокое качество сварных работ, не говоря уже о простоте и удобстве их использования. Как выбрать сварочный инвертор, наиболее полно удовлетворяющий характеру выполняемых работ? Для этого необходимо учитывать целый ряд факторов - производителя аппарата, его функциональность, условия эксплуатации и, конечно, цену.Режимы и функции
Термин "сварочный инвертор" говорит всего лишь о том, что в данном устройстве преобразование исходного электрического сигнала в рабочий сварочный, осуществляется с использованием высокочастотного преобразователя (инвертора). Это дает возможность обойтись без силового трансформатора (что влечет за собой уменьшение веса аппарата) и более гибко управлять параметрами выходного сигнала. Фактические же возможности конкретного сварочного инвертора зависят от того, какие функции и режимы (из всех возможных) в нем реализованы.Базовым режимом для инверторов является режим MMA - сварка покрытыми штучными электродами. Остальные функции и режимы могут присутствовать или отсутствовать. Их сочетание и определяет эксплуатационные характеристики и функциональные возможности устройства (и цену, естественно, тоже). К основным из таких функций относятся следующие.
Hot Start - "горячий" старт, обеспечивающий кратковременное увеличение сварочного тока относительно его рабочего значения. Функция облегчает зажигание дуги.
Antistick - "антиприлипание". При соприкосновении электрода с металлом и возникновении угрозы его прилипания, сварочный ток автоматически снижается до тех значений, которые не вызывают расплавления электрода и его приваривания к металлу. Не нужно "долбить" электродом, чтобы зажечь не желающую зажигаться дугу, или судорожно отрывать его, если он намертво приварился. Можно просто поставить электрод на металл и, отрывая его, спокойно зажечь дугу - не беспокоясь о том, что электрод может привариться.
Arc Force - "форсаж" дуги. Осуществляет автоматическое увеличение тока при отделении от электрода капли расплавленного металла и укорачивании дуги, когда возникают условия для прилипания электрода.
Наличие переменного сварочного тока . Большинство инверторов осуществляют сварку постоянным током (DC - direct current). Но иногда переменный сварочный ток (AC - alternating current) имеет преимущества перед постоянным - при сварке алюминия, в частности, когда необходимо разрушать оксидную пленку. Наличие режима сварки переменным током (наряду с постоянным) расширяет функциональность инвертора. Немногие инверторы имеют AC режим, и если он есть, производители обязательно подчеркивают это аббревиатурой AC/DC.

Режим TIG - сварка неплавящимся вольфрамовым электродом, чаще в среде аргона. Аргонная TIG сварка обеспечивает наиболее высокое качество сварного соединения. Ею можно сваривать практически любые металлы. Так что наличие режима TIG - огромный плюс сварочного инвертора. Если позволяют финансовые возможности, желательно его иметь. Чтобы пользоваться TIG-сваркой, придется докупать горелку, баллон с аргоном и газовую арматуру (горелка может быть в комплекте).

Функция бесконтактного возбуждения дуги . Обеспечивается встроенным осциллятором - устройством, преобразующим ток низкого напряжения промышленной частоты в ток высокой частоты (250-300 кГц) и высокого напряжения (2500-6000В). Благодаря очень большой частоте, очень большое напряжение безопасно для сварщика. Осциллятор позволяет зажигать дугу, не касаясь электродом металла, что в некоторых случаях очень важно, например при TIG-сварке нержавейки, чтобы не загрязнять вольфрамом металл шва. Если осциллятора нет, а контакт электрода с изделием недопустим, то пожог дугу выполняют на специальной пластинке.
Функция понижения напряжения холостого хода . Сварка в стесненных условиях и при повышенной влажности (в колодцах, тоннелях, резервуарах и пр.) требует пониженного напряжения холостого хода. Напряжение 50-80В во влажных условиях является опасным для сварщика. Полностью безопасно напряжение, не превышающее 15В. Для понижения параметра применяются блоки снижения напряжения (VRD), встраиваемые в инвертор. Их работа заключается в том, чтобы в момент размыкания сварочной цепи снизить напряжение холостого хода до безопасного уровня.
Цифровая индикация . Наличие цифровой индикации, отображающей изменяющиеся характеристики сварочного процесса, позволяет точно устанавливать и контролировать величину сварочного тока. Она особенно полезна при просаживающейся питающей сети или частой смене сварочных режимов, которые имеют место при работе с разными марками и толщинами металла и различными по диаметру электродами. Цифровая индикация полезна еще и тем, что с ее помощью быстрее приобретаются познания о процессах сварки - полезно для повышения квалификации.

Сварочный ток
Выбор сварочного инвертора по номинальному току ничем не отличается от выбора по этому параметру аппаратов другого типа. Для MMA-сварки, примерные значения сварочного тока в зависимости от диаметра электрода и толщины металла приведены в таблице ниже.При этом нельзя ориентировать себя на абсолютно точный подбор параметра. Правильно будет выбрать сварочный аппарат, имеющий некоторый (до 50А) запас по току. Это необходимо по ряду причин. Во-первых, на непредельном токе можно использовать аппарат более интенсивно без риска перегреть его. Кроме этого, при снижении напряжения в сети до 180-190В, мощность инвертора, как правило, падает, и сварочный ток оказывается ниже расчетного. При использовании длинных сварочных (более 5м) и сетевых (более 15м) кабелей фактический сварочный ток также будет ниже. Наконец, нельзя исключить и того, что номинальный сварочный ток будет несколько завышен производителем в рекламных целях. Так что в любом случае запас тока будет полезен.
Параметры питающей сети
По сравнению с трансформаторами и выпрямителями, инверторы наименее зависимы от параметров питающего напряжения и нагрузочной способности сети. Если говорить об аппаратах, работающих от однофазной сети, то большинство из них рассчитаны на колебания напряжения в пределах 220В±15%. Т.е. они способны без проблем работать при напряжении 187В.Многие модели инверторов (например, Power Man-D205) устойчиво работают при падении напряжения на 20% (176В). Выпускаются модели, сохраняющие работоспособность при 140В: EWM Pico-162, Форсаж-200М и др.
Некоторые инверторы со встроенным корректором коэффициента мощности (PFC - power factor corrector), сохраняют работоспособность при напряжении 90В. Например, сварочный инвертор Сварог ARC 160 PFC.
Если предполагается использовать инвертор с электрогенератором, нужно выбрать ту модель, которая допускает питание от источника с низким напряжением - до 140В и ниже. Она лучше обычной защищена от скачков напряжения. В техдокументации должна быть отражена такая возможность и указана рекомендуемая мощность генератора. Инверторы, рассчитанные на работу с генераторами: EWM Pico-180, Pegas-160E PFC, Wega-200 PFC и пр.
Интенсивность эксплуатации
Выбор сварочного инвертора в зависимости от предполагаемой интенсивности эксплуатации выполняется с учетом параметра ПН (продолжительность нагрузки, %), который характеризует соотношение периода непрерывной работы и необходимой паузы для охлаждения.ПН = Тр/(Тр + Тп) • 100%
Где Тр - время непрерывной работы, Тп - время паузы. Чем выше значение ПН, тем более интенсивно может использоваться сварочный аппарат без риска перегрева. Продолжительность цикла (Тр + Тп) принимается равной 5 или 10 минутам. Теоретически непрерывная эксплуатация предполагает значение ПН равное 100%. Однако из-за необходимости технологических перерывов, осуществлять сварку в таком режиме практически невозможно. Поэтому профессиональные модели имеют обычно ПН 60% при среднем сварочном токе. Продолжительность нагрузки бытовых инверторов обычно не превышает 40%. Нужно понимать, что параметр ПН сильно зависит от тока сварки, и интенсивность эксплуатации можно повысить, уменьшив сварочный ток.
Производители
Инверторы, представленные на российском рынке, в зависимости от их производителя, можно условно разделить на четыре категории:- Китайские неизвестные фирмы. Предлагаются дешевые аппараты, информацию по которым трудно или вообще невозможно отыскать в Интернете. Покупка таких инверторов сопряжена с риском приобрести некачественное изделие, которое может быстро выйти из строя. Хотя утверждать со стопроцентной уверенностью, что среди таких марок совершенно не может быть надежных и качественных аппаратов, тоже нельзя. Это уж как повезет.
- Китайские известные бренды. К ним относятся такие марки, как Сварог, Барс и др. Эти инверторы собираются на современных заводах в Китае, выпускающих сертифицированную продукцию вполне приличного качества. Они поставляются не только в Россию, но и в Европу и Америку. Для их обслуживания и гарантийного ремонта имеется развитая сервисная сеть, в Интернете можно найти достаточное количество отзывов об их эксплуатационных характеристиках. Выпускаются как бытовые, так и профессиональные модели, вполне успешно справляющиеся со своими задачами, имея при этом очень умеренную цену.
- Сварочные инверторы российских производителей. Для производства используются качественные импортные комплектующие, обеспечивающие достаточно высокую функциональность и надежность изделий. В качестве примеров таких марок можно привести Форсаж (рязанский приборный завод) и Neon (ЗАО "Электро Интел"). Цена инверторов российских производителей несколько выше, чем китайских моделей, что вполне оправдывается их качеством.
- Четвертую, высшую категорию представляют образцы западных компаний, в числе которых такие известные бренды как Kemppi, EWM, Fronius, Lincoln Electric, ESAB. Высокое качество, надежность и функциональность этих инверторов находит воплощение в соответствующей цене - в 2-3 раза большей, чем у отечественных инверторов.
Разница между бытовыми и профессиональными инверторами
Четкая граница между бытовыми и профессиональными инверторами отсутствует. К основным параметрам, по которым инверторы подразделяются на профессиональные или бытовые, относятся: фазность питающей сети, продолжительность включения (ПН/ПВ), мощность аппарата (максимальный сварочный ток), наличие дополнительных функций и режимов.Наиболее простые и дешевые бытовые модели предназначены для включения только в однофазную сеть (220В) и имеют один режим MMA. Дополнительные функции или вообще отсутствуют, или присутствует один Hot Start. Однофазная потребительская сеть без значительного падения напряжения, обычно выдерживает потребляемый ток не выше 16А. Это позволяет использовать сварочные токи, не превышающие 70А.
По мере повышения профессиональности аппарата, добавляется возможность работать от трехфазной сети, возрастает параметр ПН, увеличивается мощность (номинальный сварочных ток превышает 200А), происходит расширение функциональности за счет добавления всевозможных функций и режимов. И, разумеется, в разы возрастают цены.
Перед покупкой инвертора полезно познакомиться с отзывами о нем в Интернете. Нужно с большой осторожностью подходить к очень дешевым аппаратам. Особенно, если о них нет никакой информации в Интернете.Сомнение должен вызывать слишком малый (6 месяцев) срок гарантии. На хорошие инверторы устанавливаются обычно гарантийные сроки 1-2 года.
Желательно, чтобы фирма-производитель имел свой сервисный центр. Перед тем как окончательно выбрать сварочный аппарат, не лишним будет позвонить туда и узнать, принимаются ли данные инверторы на гарантийный ремонт, как часто это происходит, какие бывают неисправности, нет ли проблем с запчастями.
При использовании содержания данного сайта, нужно ставить активные ссылки на этот сайт, видимые пользователями и поисковыми роботами.
Инвертор для многих специалистов стал одним из лучших вариантов среди всех сварочных аппаратов. Это современное высокотехнологичное изделие, которое обладает отличными параметрами для сварки, что перекрывает свой недостаток в более высокой стоимости, в сравнение с прошлыми поколениями оборудования. Главным отличием от обыкновенных трансформаторов является то, что в инверторах присутствует электроника для более точной настройки параметров, а также для поддержания стабильной работы дуги. В большинстве случаев в моделях имеется встроенный автоматический стабилизатор, который помогает нейтрализовать скачки напряжения в сети.
Данная техника постоянно развивается и особое внимание уделяется частному сегменту. Если вы не знаете для своего использования, то рейтинг сварочных инверторов для дома среди сварщиков поможет вам определиться. Стоит выбирать надежные многофункциональные и легкие аппараты, но у каждого человека свои требования, поэтому, на рынке и имеется столь широкое разнообразие параметров. Для дома требуется особый характер параметров, которые отличаются от промышленных моделей. Зачастую это уменьшение размеров, стоимости и рабочих характеристик.
Технические и технологические преимущества сварочных инверторов
ТОП инверторных сварочных аппаратов поможет определиться со всеми преимуществами данной техники. Главное технологическое преимущество – это микросхемы, которые управляют током, напряжением, вольтамперной характеристикой, отвечают за стабилизацию и так далее. Здесь же присутствует более совершенное преобразование рода тока. Благодаря этому, переключение сварки из постоянного тока в переменный становится максимально простым и может выполняться одним движением переключателя.
Стабилизаторы помогают в поддержке заданных значений, чтобы те оставались постоянно на одном и том же уровне. При длительном использовании скачки напряжения практически незаметны. К очередному преимуществу стоит отнести относительно небольшие размеры. Все компоненты, которые являются основными в работе, обладают намного меньшими габаритами, чем на трансформаторе. Рабочие характеристики от этого ни как не страдают и их удается оставить прежними. Точность выставляемых данных и их соблюдение инвертором также является большим преимуществом, чего нет в трансформаторах. Теперь можно без проблем выставлять любые режимы с высоким уровнем точности. Во многих моделях все легко регулируется отдельными датчиками.
Рейтинг сварочных инверторов для дома
Если вы не знаете , то стоит обратить внимание на ТОП 10 сварочных инверторов, которые могут подойти вам:

Данный инвертор работает от обыкновенной сети 220 В. Колебания в сети допустимы только на 15%. Максимальный рабочий ток достигает 160 А. Это обеспечивает работу с электродами диаметром до 3,2 мм. ПВ на максимальных характеристиках составляет 60%. Вес инвертора — 4,7 кг. Данная модель может работать в TIG режиме, но в ее комплектации не присутствует горелки и все эти детали нужно докупать отдельно.

Сварка – сложный, трудоемкий процесс. Поэтому даже при выборе бытового сварочного аппарата необходимо учитывать много параметров:
- Тип электроснабжения: предпочтительней выбирать модели, работающие от стандартной сети на 220 В.
- С какими материалами планируется работа: для чугуна и меди – необходим аппарат с выпрямителем тока, для черного металла – подойдет простая модель.
- Толщина свариваемого металла – напрямую связана с силой и мощностью тока.
WESTER IWT200 – обширный набор дополнительных функций
Средняя стоимость – 9500 рублей.
Технические характеристики:
- Макс. сварочный ток — 200 А
- Мощность — 4800 Вт
- Мощность полная — 5160 ВА
- Напряжение — 220 В
- Мин. входное напряжение — 170 В
- Выходной ток — 10-200 А
- Напряжение холостого хода — 75 В
- Потребляемый ток — 20.3 А
- Мин. диаметр электрода — 1.6 мм
- Макс. диаметр электрода — 5 мм
- Тип сварочного аппарата — инверторный
- Тип сварки — дуговая (электродом, MMA)
Инвертор весом 5,87 кг практичен и прост в использовании. Корпус оснащен рукояткой, есть возможность подсоединить транспортировочный ремень. Для сварки используются плавящиеся электроды с диаметром от 1,6 до 5 мм. Модель оснащена такими дополнительными функциями, как «горячий старт», антизалипание, форсирование дуги. Аппарат справляется с перепадами напряжения и его падением до 170 В.
Преимущества:
- Защита от перегрева и перегрузки.
- Компактность.
- Встроенные вентиляторы принудительного охлаждения.
- IGBT технология, которая способствует увеличению коэффициента полезного действия.
- Малый расход электроэнергии – на 30–40% меньше, чем у традиционных сварочных аппаратов.
- Длинный кабель-держатель электродов и надежный зажим массы позволяют работать с любым протяженным объектом.
- Для элементов управления выделена отдельная плата, что упрощает и удешевляет ремонт в случае поломки.
Недостатки:
- Подходит только новичкам, не предназначен для сложных бытовых работ.
Aurora MINIONE 1800 – богатый комплект аксессуаров
Средняя цена – 8000 рублей.
Технические характеристики
- Напряжение сети: 220 В
- Ток в режиме ММА: 20 — 180 А
- ММА ток при ПВ 100%: 31 А
- Номинальное напряжение: 63 В
- Класс защиты: IP 21
- Коэффициент мощности (COS?): 0.73
- Габаритные размеры: 320x123x220
- Вес: 5 кг.
Инвертор построен на базе передовых технологий IGBT и компонентов SMT. В комплект входит двухметровый кабель, зажим на массу, держатель для электродов, кейс для хранения и транспортировки. Аппарат успешно применяется в разных сферах, в том числе строительстве, сельском хозяйстве, при монтаже конструкций из металла. Но рабочее напряжение должно быть не менее 160 В.
Преимущества:
- «Интеллектуальное» охлаждение: включение вентилятора происходит только в том случае, если нагрелись компоненты платы, силовые элементы.
- Форсаж дуги: в тот момент, когда капля металла отделяется от электрода, сварочный ток увеличивается.
- Горячий старт.
- Antistick – автоматическое снижение сварочного тока в случае залипания электрода. Сварщик получает время на то, чтобы отделить электрод и продолжить работу.
Недостатки:
- Низкое качество пластикового кейса.
Какой сварочный аппарат лучше из этих 2х вариантов? Выбирайте по цене: где дешевле.
Сварог PRO ARC 160 (Z211S)
Стоимость – 9000 рублей.
Технические характеристики:
- Напряжение сети: 220 В (±15%)
- Ток в режиме ММА: 10 — 160 А
- ММА ток при ПВ 60%: 160 А
- Диаметр электродов (min — max): 1.5-3.2 мм
- Класс защиты: IP 21
- Класс изоляции: F
- Коэффициент мощности (COS?): 0.70
- Артикул: Z211S
- Габаритные размеры: 313×130×250
- Вес: 4.70 кг.
Этот прибор представляет собой инновационную разновидность инвертора 2014 года выпуска. Он способен работать при низком напряжении – от 175 В. Основная сфера применения – наплавка и ручная дуговая сварка электродом диаметром менее 3,2 мм. Возможна также ручная аргонодуговая сварка TIG. Но для этого придется обзавестись вентильной горелкой.
Ресанта САИ 190ПРОФ – пригоден для работы в сети с низким напряжением
Средняя стоимость – 14000 рублей.
Технические характеристики
- Напряжение сети: 220 В
- Ток в режиме ММА: 10 — 190 А
- Диаметр электродов (min — max): 5 мм
- Номинальное напряжение: 65 В
- Класс защиты: IP 21
- Артикул: 65/30
Этот мощный сварочный аппарат инверторного типа славится простотой управления, надежностью и функциональностью. С его помощью осуществляется ручная электродуговая сварка. Стабильное горение дуги обеспечивает плотный ровный шов. Специальная технология PFC позволяет работать при просадке напряжения до 100 В. Также аппарат можно подключать к генератору на 4,6 кВт.
Преимущества:
- Удобная регулировка форсажа дуги.
- Полезные дополнительные функции – «антизалипание» и «горячий старт».
- Компактность, удобная транспортировочная рукоятка.
- Хорошее проплавление и минимальное разбрызгивание металла.
- Цифровой дисплей, на который выводится сварочный ток.
- Легкость: аппарат весит всего 8,9 кг.
- Пригодность для сварки любого черного металла, нержавеющей стали, меди толщиной более 0,3 мм.
- Экономия электроэнергии по сравнению со схожими приборами – 30% (благодаря уменьшенному электромагнитному полю).
Недостатки:
- Сварочные провода чересчур коротки.
